AMS1117- 5.0共9页
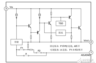
- 稳压器电路概述是一款正电压输出的低压降三端线性稳压电路,在输出电流下的压降为。分为两个版本,固定电压输出版本和可调电压输出版本。固定输出电压、、、、和可调版本的电压精度为;固定电压为的产品输出电压精度为。内部集成过热保护和限流
AMS1117 概述- 4.0共2页
- AMS1117概述 AMS1117系列稳压器有可调版与多种固定电压版,设计用于提供1A输出电流且工作压差可低至1V。在最大输出电流时,AMS1117器件的压差保证最大不超过1.3V,并随负载电流的减
AMS1117全系列- 5.0共6页
- 是的子型号是一款低压差稳压器。型号标识参数的型号标识及主要参数型号标识品牌标识基本型号输出电压版主要参数特性输出电流输出电压
AMS1117电压转换芯片说明书- 4.0共7页
- AdvancedAMS1117Monolithic1ALOWDROPOUTVOLTAGEREGULATORSystemsRoHsCompliantFEATURESAPPLICATIONS•Three
360文库
AMS1117稳压芯片介绍 CSDN博客
文章浏览阅读10w+次,点赞67次,收藏344次。本文详细介绍了AMS1117正向低压降稳压器的特点及应用,包括固定输出版本与可调版本的特性,以及内部集成的过热保护和限流电路。此外还提供了电...
CSDN博客频道
AMS1117稳压器Datasheet中文翻译资料(很详细) 模拟数字电子技术
AMS1117 系列可调或固定电压稳压器使用简单,并且有短路保护和热过载保护。当热感应点的温度超过 165℃时,热保护电路将会关闭稳压器。AMS1117 引脚兼容旧的三端可调压稳压器,这些器件...
单片机教程网
AMS1117中文资料
道客巴巴
低压差稳压器 AMS1117芯片简介 BoBoRing
AMS1117与LM1117厂家不同,AMS1117是AMS的产品,输入电压的极限值是15V,LM1117是NS的产品,15V是输入电压的正常上限,极限值是20V,所以后者的耐压值要高一些,但是这类线性稳压器一般...
博客园
AMS1117-5.0 PDF 中文资料
道客巴巴
没有更多结果了~
- 意见反馈
- 页面反馈