有限元
360百科
查看更多
有限元- 5.0共3页
- 1有元基本思想:将求的续体分割成有的单元,单元之只在数目有的点处接,构成一个单元合体代替原来的系统;对每个单元利用分块似的思想,按一定则建立求点与未知之的关系(力—位移
有限元- 4.0共2页
- 1有元的基本概念:a就物理概念,有单元法是传统结构力法在续体的推广,有单元法将一个续体划分成有个单元并假定各单元之仅在结点处传力和位移,从把一个具有有无个由度的续体化简为有
有限元- 5.0共9页
- 4.1有元法4.1.1概在现代先制域中,最常也是最基本的是算和校件的强度、刚度以及对机器整体或件动力分析等。然人们用力学原理已经得到了它们的基本方程和
有限元- 4.0共21页
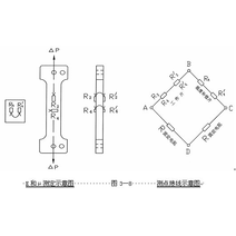
- 有元分析实例—器在工作时发生的形变和应力1.分析查器在工作时发生的形变和产生的应力。如图1所示,器在底的周围界不发生上下动,即不发生沿向的位移;在底的两个圆周上不发
360文库
有限元法

简介:《有限元法》是1985年10月1日科学出版社出版的图书,作者是O.C.监凯维奇 (Zienkiewicz O.C.)。内容简介《有限...
作者:[英] O.C.监凯维奇
出版时间:1985-10-01
出版社:科学出版社
360百科
没有更多结果了~
- 意见反馈
- 页面反馈

